Главная Каталог продукции Прайс-лист Полезная информация контакты
Редукторы червячные
Мотор-редукторы
Преобразователи частоты
Устройства плавного пуска
Аксессуары для ПЧ
Энкодеры
Карта сайта

 

Приводная техника

 

Вся продукция сертифицирована. Мы будем рады видеть Вас клиентом нашей компании.

 

 

Двухступенчатый цилиндро-червячный мотор-редуктор PCRV

Двухступенчатый цилиндро-червячный мотор-редуктор PCRV

Двухступенчатый цилиндро-червячный мотор-редуктор PCRV

 

  • Модель: PCRV
  • Размер: 63/40 - 63/50 - 63/63 - 71/50 - 71/63 - 71/75 - 71/90 - 80/75 - 80/90 - 80/110 - 80/130 - 90/110 - 90/130
  • Передаточное число: "i" = 75:1 - 317:1
  • Мощность: 0,12 - 1,5 квт
  • Крутящий момент: 68 - 2150 Нм

ОБЩЕЕ ОПИСАНИЕ

Схема типового обозначения.

тип
типоразмер
передаточное число
исполнение
электро-двигатель
монтажная позиция
двухсторонний входной вал
цилиндрический выходной вал
выходной фланец
реактивная штанга
NMRV
030 - 130
5 - 3200
E
SS - односторонний
FL
A
мощность и обороты электро-двигателя
монтажные позиции
NRV
PCRV
DS - двухсторонний
DRV

 

Пример типового обозначения.

PCRV - 071/075 - 158,5 - 8,8 - 0,25 - FL1 - B3

PCRV - двухступенчатый цилиндро-червячный мотор-редуктор;
071/075 - типоразмер цилиндрической ступени 71, червячного редуктора 075;
158,5 - передаточное число;
8,8 - частота вращения выходного вала (об/мин);
0,25 - мощность электродвигателя;
FL1 - исполнение с фланцем;
B3 - монтажная позиция;

Размеры фланцев цилиндрической ступени.

PC
i
P2
P1
63
3
63B14/71B14
63B5
71
3.17
71B14/80B14
71B5
80
3
80B14/100B14
80B5
90
2.43
80B14/100B14
90B5

Технические характеристики.

Мощность двигателя, кВт
Частота вращения выходного вала, об/мин
Крутящий момент, Нм
Сервис-фактор
Передаточное число
Тип мотор-редуктора
Двигатель IEC
Радиальная нагрузка, Н
0,09
12.0
47
1.3
75
PC063+NMRV040
63B6
3283
10.0
51
1.4
90
3488
7.5
62
1.1
120
3490
6.0
72
0.8
150
PC063+NMRV040
63B6
3490
5.0
79
0.7
180
3490
6.0
73
1.6
150
PC063+NMRV050
63B6
4840
5.0
81
1.3
180
4840
3.8
94
0.9
240
4840
3.0
106
0.7
300
4840
3.8
99
1.7
240
PC063+NMRV063
63B6
6270
3.0
109
1.4
300
6270
0,12
18.7
42
1.2
75
PC063+NMRV040
63A4
2833
15.6
46
1.2
90
3011
11.7
57
0.9
120
3314
9.3
66
0.7
150
3490
7.8
74
0.6
180
3490
12.0
62
1.0
75
PC063+NMRV040
63C6
3283
10.0
68
1.1
90
3488
7.5
83
0.8
120
3490
9.3
68
1.3
150
PC063+NMRV050
63A4
4840
7.8
75
1.1
180
4840
5.8
88
0.8
240
4840
4.7
98
0.7
300
4840
12.0
63
1.7
75
PC063+NMRV050
63C6
4506
10.0
70
2.1
90
4788
7.5
84
1.5
120
4840
6.0
97
1.2
150
4840
5.0
108
1.0
180
4840
3.8
125
0.7
240
4840
5.8
92
1.5
240
PC063+NMRV063
63A4
6270
4.7
103
1.2
300
6270
6.0
101
2.1
150
PC063+NMRV063
63C6
6270
5.0
112
1.8
180
6270
3.8
131
1.3
240
6270
3.0
145
1.0
300
6270
0,18
18.7
64
0.8
75
PC063+NMRV040
63 B4
2833
15.6
70
0.8
90
3011
11.7
85
0.6
120
3314
18.7
64
1.4
75
PC063+NMRV050
63 B4
3889
15.6
71
1.5
90
4132
11.7
87
1.1
120
4548
9.3
101
0.9
150
4840
7.8
113
0.7
180
4840
5.8
133
0.6
240
4840
12.0
95
1.2
75
PC071+NMRV050
71A6
4506
10.0
105
1.4
90
4788
7.5
126
1.0
120
4840
9.3
103
1.7
150
PC063+NMRV063
63 B4
6270
7.8
117
1.4
180
6270
5.8
139
1.0
240
6270
4.7
155
0.8
300
6270
12.0
97
2.2
75
PC071+NMRV063
71A6
5889
10.0
107
2.4
90
6259
7.5
131
1.8
120
6270
6.0
152
1.4
150
6270
5.0
168
1.2
180
6270
3.8
197
0.9
240
6270
3.0
218
0.7
300
6270
5.0
179
1.7
180
PC071+NMRV075
71A6
7380
3.8
211
1.2
240
7380
3.0
235
1.0
300
7380
0,25
18.7
88
1.0
75
PC071+NMRV050
71А4
3889
15.6
98
1.1
90
4132
11.7
121
0.8
120
4548
18.7
91
1.8
75
PC071+NMRV063
71А4
5083
15.6
100
2.0
90
5401
11.7
125
1.5
120
5945
9.3
143
1.2
150
6270
7.8
163
1.0
180
6270
5.8
192
0.7
240
6270
4.7
215
0.6
300
6270
12.0
135
1.6
75
PC071+NMRV063
71В6
5889
10.0
148
1.8
90
6259
7.5
181
1.3
120
6270
6.0
211
1.0
150
6270
9.3
151
1.7
150
PC071+NMRV075
71А4
7380
7.8
172
1.4
180
7380
5.8
201
1.1
240
7380
4.7
230
0.9
300
7380
12.0
139
2.4
75
PC071+NMRV075
71В6
6952
10.0
155
2.5
90
7380
7.5
191
1.9
120
7380
6.0
219
1.5
150
7380
5.0
248
1.2
180
7380
5.0
263
1.9
180
PC071+NMRV090
71В6
8180
3.8
318
1.4
240
8180
3.0
358
1.1
300
8180
Мощность двигателя, кВт
Частота вращения выходного вала, об/мин
Крутящий момент, Нм
Сервис-фактор
Передаточное число
Тип мотор-редуктора
Двигатель IEC
Радиальная нагрузка, Н
0,37
18.7
134
1.2
75
PC071+NMRV063
71B4
5083
15.6
148
1.4
90
5401
11.7
185
1.0
120
5945
9.3
212
0.8
150
6270
18.7
138
1.8
75
PC071+NMRV075
71B4
6000
15.6
154
1.9
90
6375
11.7
191
1.5
120
7017
9.3
223
1.1
150
7380
7.8
254
0.9
180
7380
12.0
206
1.6
75
PC080+NMRV075
80A6
6952
10.0
230
1.7
90
7380
7.5
283
1.3
120
7380
6.0
324
1.0
150
7380
7.8
268
1.5
180
PC071+NMRV090
71B4
8180
5.8
321
1.1
240
8180
4.7
371
0.9
300
8180
6.0
347
1.6
150
PC080+NMRV090
80A6
8180
5.0
389
1.3
180
8180
3.8
471
1.0
240
8180
3.8
509
1.5
240
PC080+NMRV105
80A6
10320
3.0
577
1.2
300
10320
3.8
509
1.6
240
PC080+NMRV110
80A6
10320
3.0
577
1.3
300
10320
0,55
18.7
200
0.8
75
PC071+NMRV063
80A4
5083
15.6
219
0.9
90
5401
18.7
205
1.2
75
PC071+NMRV075
80A4
6000
15.6
230
1.3
90
6375
11.7
284
1.0
120
7017
18.7
205
1.2
75
PC080+NMRV075
80A4
6000
15.6
230
1.3
90
6375
11.7
284
1.0
120
7017
9.3
332
0.8
150
7380
12.0
306
1.1
75
PC080+NMRV075
80B6
6952
10.0
341
1.1
90
7380
15.6
240
2.3
90
PC080+NMRV090
80A4
7054
11.7
297
1.6
120
7764
9.3
355
1.3
150
8180
7.8
398
1.0
180
8180
10.0
357
2.0
90
PC080+NMRV090
80B6
8174
7.5
441
1.4
120
8180
6.0
516
1.1
150
8180
5.0
578
0.9
180
8180
7.8
425
1.7
180
PC080+NMRV105
80A4
10320
5.8
513
1.2
240
10320
4.7
597
1.0
300
10320
7.5
462
2.2
120
PC080+NMRV105
80B6
10320
6.0
552
1.8
150
10320
5.0
620
1.5
180
10320
3.8
756
1.0
240
10320
7.8
425
1.8
180
PC080+NMRV110
80A4
10320
5.8
513
1.3
240
10320
4.7
597
1.0
300
10320
7.5
462
2.6
120
PC080+NMRV110
80B6
10320
6.0
552
2.0
150
10320
5.0
620
1.6
180
10320
3.8
756
1.1
240
10320
3.8
756
1.6
240
PC080+NMRV130
80В6
13500
3.0
858
1.3
300
13500
0,75
18.7
280
0.9
75
PC080+NMRV075
80B4
6000
15.6
313
1.0
90
6375
15.6
327
1.7
90
PC080+NMRV090
80B4
7054
11.7
405
1.2
120
7764
9.3
483
0.9
150
8180
7.8
543
0.7
180
8180
11.7
430
1.9
120
PC080+NMRV105
80B4
9811
9.3
506
1.6
150
10320
7.8
580
1.2
180
10320
5.8
700
0.9
240
10320
12.4
393
2.8
73
PC090+NMRV105
90S6
9614
9.3
508
2.0
96.8
10320
7.4
607
1.6
121
10320
6.2
682
1.3
145.2
PC090+NMRV105
90S6
10320
4.6
832
0.9
193.6
10320
11.7
430
2.2
120
PC080+NMRV110
80 В4
9811
9.3
506
1.7
150
10320
7.8
580
1.3
180
10320
5.8
700
0.9
240
10320
12.4
393
3.2
73
PC090+NMRV110
90S6
9614
9.3
508
2.3
96.8
10320
7.4
607
1.8
121
10320
6.2
682
1.5
145.2
10320
4.6
832
1.0
193.6
10320
5.8
712
1.4
240
PC080+NMRV130
80 В4
13500
4.7
813
1.1
300
13500
12.4
399
4.4
73
PC090+NMRV130
90S6
12575
9.3
508
3.2
96.8
13500
7.4
607
2.6
121
13500
6.2
682
2.1
145.2
13500
4.6
832
1.5
193.6
13500
3.7
944
1.2
242
13500
Мощность двигателя, кВт
Частота вращения выходного вала, об/мин
Крутящий момент, Нм
Сервис-фактор
Передаточное число
Тип мотор-редуктора
Двигатель IEC
Радиальная нагрузка, Н
1,1
12.4
576
1.9
73
PC090+NMRV105
90 L6
9614
9.3
746
1.4
96.8
10320
7.4
890
1.1
121
10320
6.2
1000
0.9
145.2
10320
19.3
392
2.2
73
PC090+NMRV105
90S4
8298
14.5
508
1.6
96.8
9133
11.6
599
1.3
121
9838
9.6
686
1.0
145.2
10320
7.2
828
0.8
193.6
10320
12.4
576
2.2
73
PC090+NMRV110
90 L6
9614
9.3
746
1.6
96.8
10320
7.4
890
1.2
121
10320
6.2
1000
1.0
145.2
10320
19.3
392
2.5
73
PC090+NMRV110
90S4
8298
14.5
508
1.8
96.8
9133
11.6
599
1.5
121
9838
9.6
686
1.1
145.2
10320
7.2
828
0.8
193.6
10320
12.4
585
3.0
73
PC090+NMRV130
90L6
12575
9.3
746
2.2
96.8
13500
7.4
890
1.7
121
13500
6.2
1000
1.4
145.2
13500
4.6
1220
1.0
193.6
13500
19.3
398
3.5
73
PC090+NMRV130
90S4
10853
14.5
508
2.6
96.8
11945
11.6
608
2.0
121
12868
9.6
686
1.6
145.2
13500
7.2
843
1.2
193.6
13500
5.8
962
0.9
242
13500
1,5
19.3
535
1.6
73
PC090+NMRV105
90L4
8298
14.5
693
1.2
96.8
9133
11.6
817
1.0
121
9838
9.6
936
0.8
145.2
10320
19.3
535
1.9
73
PC090+NMRV110
90L4
8298
14.5
693
1.3
96.8
9133
11.6
817
1.1
121
9838
9.6
936
0.8
145.2
10320
19.3
542
2.6
73
PC090+NMRV130
90L4
10853
14.5
693
1.9
96.8
11945
11.6
830
1.5
121
12868
9.6
936
1.1
145.2
13500
7.2
1149
0.8
194
13500
2,2
38.6
398
1.8
73
PC090+NMRV105
90L2
6586
28.9
516
1.3
96.8
7249
23.1
617
1.1
121
7809
38.6
398
2.1
73
PC090+NMRV110
90L2
6586
28.9
516
1.5
96.8
7249
23.1
617
1.2
121
7809
38.6
409
2.9
73
PC090+NMRV130
90L2
8614
28.9
545
2.0
96.8
9481
23.1
654
1.6
121
10213
19.3
752
1.3
145.2
10853

 

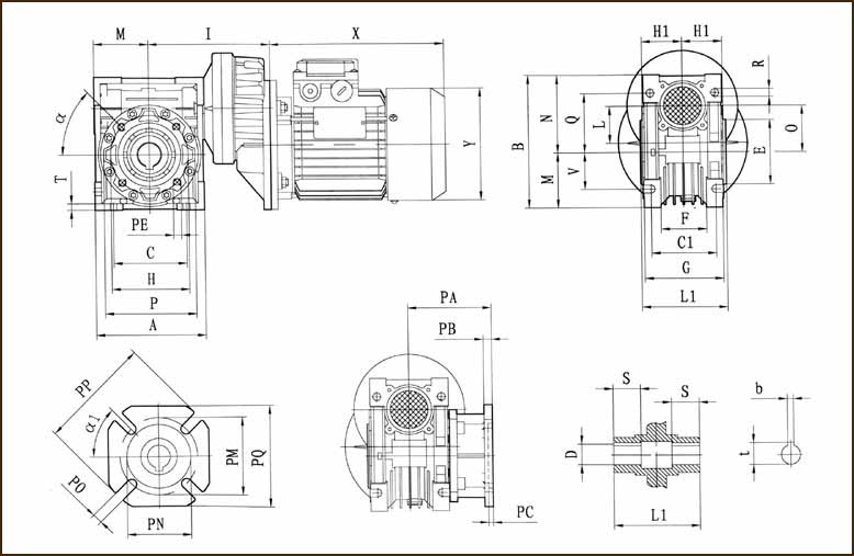
Габаритные и присоединительные размеры.

PCRV
A
В
С
C1
D(H7)
E(h8)
F
G
H
H1
I
L
L1
M
N
0
P
Q
R
063/040
100
121.5
70
60
18(19)
60
43
71
75
36.5
123
40
78
50
71.5
40
87
55
6.5
063/050
120
144
80
70
25(24)
70
49
85
85
43.5
133
40
92
60
84
50
100
64
8.5
071/050
120
144
80
70
25(24)
70
49
85
85
43.5
143
50
92
60
84
50
100
64
8.5
063/063
144
174
100
85
25(28)
80
67
103
95
53
148
40
112
72
102
63
110
80
8.5
071/063
144
174
100
85
25(28)
80
67
103
95
53
158
50
112
72
102
63
110
80
8.5
071/075
172
205
120
90
28(35)
95
72
112
115
57
176
50
120
86
119
75
140
93
11
080/075
172
205
120
90
28(35)
95
72
112
115
57
186
63
120
86
119
75
140
93
11
071/090
206
238
140
100
35(38)
110
74
130
130
67
193
50
140
103
135
90
160
102
13
080/090
206
238
140
100
35(38)
110
74
130
130
67
203
63
140
103
135
90
160
102
13
080(090)/110
252.5
295
170
115
42
130
-
144
165
74
233
63
155
127.5
167.5
110
200
125
14
080(090)/130
292.5
335
200
120
45
180
-
155
215
81
253
63
170
147.5
187.5
130
250
140
16

PCRV
S
T
V
PA
PB
PC
РЕ
PM
PN
PO
PP
PQ
b
t
?
?1
kg
063/040
26
6.5
35
67
7
4
M6x8(n=4)
75
60
9(n=4)
110
95
6(6)
20.8(21.8)
45°
45°
3.9
063/050
30
7
40
90
9
5
M8x10(n=4)
85
70
11(n=4)
125
110
8(8)
28.3(27.3)
45°
45°
5.2
071/050
30
7
40
90
9
5
M8x10(n=4)
85
70
11(n=4)
125
110
8(8)
28.3(27.3)
45°
45°
5.8
063/063
36
8
50
82
10
6
M8x14(n=8)
150
115
11(n=4)
180
142
8(8)
28.3(31.3)
45°
45°
7.9
071/063
36
8
50
82
10
6
M8x14(n=8)
150
115
11(n=4)
180
142
8(8)
28.3(31.3)
45°
45°
8.5
071/075
40
10
60
111
13
6
M8x14(n=8)
165
130
14(n=4)
200
170
8(10)
31.3(38.3)
45°
45°
11.3
080/075
40
10
60
111
13
6
M8x14(n=8)
165
130
14(n=4)
200
170
8(10)
31.3(38.3)
45°
45°
13.1
071/090
45
11
70
111
13
6
M10x18(n=8)
175
152
14(n=4)
210
200
10(10)
38.3(41.3)
45°
45°
15.3
080/090
45
11
70
111
13
6
M10x18(n=8)
175
152
14(n=4)
210
200
10(10)
38.3(41.3)
45°
45°
17.2
080(090)/110
50
14
85
131
15
6
M10x18(n=8)
230
170
14(n=8)
280
260
12
45.3
45°
45°
39
080(090)/130
60
15
100
140
15
6
M12x21(n=8)
255
180
16(n=8)
320
290
14
48.8
45°
22.5°
52.2

 

 

Приводная техника (мотор-редукторы, преобразователи частоты и устройства плавного пуска) отправляется покупателю транспортной компанией. По всем вопросам обращаться в офис.


Мы всегда рады видеть у себя наших старых партнеров и ждем новых.

Доставка во все регионы России!