Главная Каталог продукции Прайс-лист Полезная информация контакты
Редукторы червячные
Мотор-редукторы
Преобразователи частоты
Устройства плавного пуска
Аксессуары для ПЧ
Энкодеры
Карта сайта

 

Приводная техника

 

Вся продукция сертифицирована. Мы будем рады видеть Вас клиентом нашей компании.

 

Двухступенчатый червячный мотор-редуктор DRV

Двухступенчатый червячный мотор-редуктор DRV

Двухступенчатый червячный мотор-редуктор DRV

 

  • Модель: DRV
  • Размер: 30/40 - 30/50 - 30/63 - 40/75 - 40/90 - 50/110 - 50/130
  • Передаточное число: "i" = 300:1 - 3200:1
  • Мощность: 0,06 - 1,5 квт
  • Крутящий момент: 68 - 2150 Нм

ОБЩЕЕ ОПИСАНИЕ

Схема типового обозначения.

тип
типоразмер
переда-
точное
число
исполнение
электро-
двигатель
монтажная позиция
двух-
сторонний
входной
вал
цилиндрический
выходной
вал
выходной
фланец
реактивная штанга
NMRV
030 - 130
5 - 3200
E
SS - односторонний
FL - широкий
A
мощность и
обороты
электро-
двигателя
монтажные позиции
NRV
PCRV
DS - двухсторонний
DRV

 

Пример условного обозначения в заказе.

DRV - 040/075 - 3000 - 0.5 - 0.06 - AS1

DRV - червячный двухступенчатый мотор-редуктор;
040/075 - комбинация редукторов 040 и 075 габаритов;
3000 - передаточное число;
0,5 - частота вращения выходного вала (об/мин);
0,06 - мощность электродвигателя (кВт);
AS1 - монтажная позиция.

Монтажные позиции.

Технические характеристики.

Мощность двигателя, кВт
Частота вращения выходного вала, об/мин
Крутящий момент, Нм
Сервис-фактор
Передаточное число
Тип мотор-редуктора
Двигатель IEC
Радиальная нагрузка, Н
0,06
14.0
25
1.3
100
DRV025/030
56A4
1620
9.3
32
0.9
150
1830
7.0
41
0.7
200
1830
5.6
44
0.8
250
1830
4.7
59
1.2
300
DRV025/040
56A4
3490
3.5
71
0.9
400
3490
2.8
82
0.7
500
3490
2.3
101
0.6
600
3490
1.9
116
0.5
750
3490
1.6
143
0.5
900
3490
1.2
171
0.4
1200
3490
0.9
197
0.3
1500
3490
0.8
217
0.3
1800
3490
0.6
268
0.2
2400
3490
0.5
324
0.2
3000
3490
0.4
294
0.1
4000
3490
0.3
356
0.1
5000
3490
4.7
57
1.3
300
DRV030/040
56A4
3490
3.5
70
0.9
400
3490
2.8
96
0.6
500
3490
2.3
104
0.7
600
3490
1.9
121
0.6
750
DRV030/040
56A4
3490
1.6
139
0.5
900
3490
1.2
166
0.4
1200
3490
0.9
196
0.4
1500
3490
0.8
218
0.3
1800
3490
0.58
261
0.2
2400
3490
0.4
300
0.2
3200
3490
0.4
279
0.1
4000
3490
0.28
338
0.1
5000
3490
1.6
141
1.0
900
DRV030/050
56A4
4840
1.2
169
0.7
1200
4840
0.93
199
0.7
1500
4840
0.78
222
0.7
1800
4840
0.6
266
0.5
2400
4840
0.5
307
0.4
3000
4840
0.35
288
0.3
4000
4840
0.29
311
0.3
4800
4840
0.9
204
1.1
1500
DRV030/063
56A4
6270
0.78
225
0.9
1800
6270
0.58
276
0.8
2400
6270
0.47
319
0.7
3000
6270
0.35
306
0.6
4000
6270
0.28
360
0.4
5000
6270
0.6
330
1.1
2400
DRV040/075
56A4
7380
0.47
377
0.8
3000
7380
0.35
355
0.7
4000
7380
0.28
419
0.5
5000
7380
0.5
406
1.4
3000
DRV040/090
56A4
8180
0.35
365
1.3
4000
8180
0.28
431
1.0
5000
8180
0,09
28.0
20
1.6
100
DRV025/030
56A2
1286
18.7
25
1.1
150
1472
14.0
33
0.9
200
1620
14.0
38
0.8
100
DRV025/030
56 B4
1620
9.3
49
0.6
150
1830
7.0
62
0.5
200
1830
5.6
66
0.5
250
1830
4.7
75
0.4
300
1830
3.5
107
0.3
400
1830
2.8
115
0.3
500
1830
2.3
135
0.2
600
1830
1.9
151
0.2
750
1830
1.6
178
0.2
900
1830
1.2
212
0.1
1200
1830
0.9
247
0.1
1500
1830
0.78
304
0.1
1800
1830
0.58
340
0.1
2400
1830
0.47
405
0.1
3000
1830
9.3
45
1.6
300
DRV025/040
56A2
3490
7.0
54
1.2
400
3490
5.6
77
0.8
500
3490
4.7
88
0.8
300
DRV030/040
56 B4
3490
3.5
107
1.2
400
DRV030/050
56 B4
4840
2.8
123
1.0
500
4840
2.3
159
0.9
600
4840
1.9
185
0.8
750
4840
1.6
212
0.7
900
4840
1.6
200
1.0
900
DRV030/063
56 B4
6270
1.2
263
0.9
1200
6270
0.93
305
0.7
1500
6270
0.9
360
1.1
1500
DRV040/075
56 B4
7380
0.78
404
1.0
1800
7380
0.58
496
0.7
2400
7380
0.5
609
0.9
3000
DRV040/090
56 B4
8180
0.35
548
0.8
4000
8180
Мощность двигателя, кВт
Частота вращения выходного вала, об/мин
Крутящий момент, Нм
Сервис-фактор
Передаточное число
Тип мотор-редуктора
Двигатель IEC
Радиальная нагрузка, Н
0,12
4.7
119
1.2
300
DRV030/050
63A4
4840
3.5
142
0.9
400
4840
2.8
164
0.7
500
4840
2.8
171
1.3
500
DRV030/063
63A4
6270
2.3
208
1.1
600
6270
1.9
241
0.9
750
6270
1.6
325
1.2
900
DRV040/075
63A4
7380
1.2
399
0.9
1200
7380
0.8
547
0.9
1800
DRV040/090
63A4
8180
0.58
695
0.9
2400
8180
0.5
884
1.1
3000
DRV050/105
63A4
10320
0.35
784
1.0
4000
10320
0.28
928
0.76
5000
10320
0.5
884
1.2
3000
DRV050/110
63A4
10320
0.35
784
1.0
4000
10320
0.28
928
0.80
5000
10320
0,18
3.5
222
1.0
400
DRV030/063
63 B4
6270
2.8
257
0.8
500
6270
2.3
362
1.1
600
DRV040/075
63 B4
7380
1.9
435
0.9
750
7380
1.6
487
0.8
900
7380
1.2
629
1.0
1200
DRV040/090
63 B4
8180
0.93
735
0.8
1500
8180
0.8
861
1.3
1800
DRV050/105
63 B4
10320
0.58
1113
0.9
2400
10320
0.8
861
1.5
1800
DRV050/110
63 B4
10320
0.58
1113
1.1
2400
10320
0,25
7.0
159
1.4
400
DRV030/063
63В2
6270
5.6
185
1.2
500
6270
3.5
336
1.1
400
DRV040/075
71А4
7380
2.8
384
0.8
500
7380
2.3
512
1.2
600
DRV040/090
71А4
8180
1.9
598
0.9
750
8180
1.6
667
0.8
900
8180
1.2
943
1.1
1200
DRV050/105
71А4
10320
0.93
1064
1.0
1500
10320
0.78
1195
0.9
1800
10320
1.2
943
1.3
1200
DRV050/110
71A4
10320
0.93
1064
1.2
1500
10320
0.78
1195
1.1
1800
10320
0.6
1624
1.0
2400
DRV063/130
71A4
13500
0.47
1935
0.8
3000
13500
0.35
2046
0.6
4000
13500
0.28
2430
0.5
5000
13500
0.8
1199
1.8
1800
DRV063/150
71A4
18000
0.6
1446
1.8
2400
18000
0.5
1713
1.4
3000
18000
0.4
2026
0.9
4000
18000
0.3
2251
0.7
5000
18000
0,37
9.3
181
1.3
300
DRV030/063
71A2
6270
7.0
236
1.0
400
6270
4.7
405
1.0
300
DRV040/075
71B4
7380
3.5
498
0.7
400
7380
4.7
402
1.5
300
DRV040/090
71B4
8180
3.5
523
1.2
400
8180
2.8
611
0.9
500
8180
2.3
757
0.8
600
8180
1.9
950
1.2
750
DRV050/105
71B4
10320
1.6
1079
1.0
900
10320
1.2
1396
0.7
1200
10320
1.9
950
1.3
750
DRV050/110
71B4
10320
1.6
1079
1.2
900
10320
1.2
1396
0.8
1200
10320
0.9
1674
1.1
1500
DRV063/130
71B4
13500
0.78
1887
0.9
1800
13500
0.8
1775
1.2
1800
DRV063/150
71B4
18000
0.6
2141
1.2
2400
18000
0.5
2535
0.9
3000
18000
Мощность двигателя, кВт
Частота вращения выходного вала, об/мин
Крутящий момент, Нм
Сервис-фактор
Передаточное число
Тип мотор-редуктора
Двигатель IEC
Радиальная нагрузка, Н
0,55
9.3
306
2.0
300
DRV040/090
71B2
8180
7.0
403
1.5
400
8180
5.6
470
1.2
500
8180
4.7
639
1.7
300
DRV050/105
80A4
10320
3.5
826
1.2
400
10320
2.8
984
1.0
500
10320
2.3
1181
0.9
600
10320
1.9
1411
0.8
750
10320
4.7
639
2.0
300
DRV050/110
80А4
10320
3.5
826
1.4
400
10320
2.8
984
1.1
500
10320
2.3
1181
1.0
600
10320
1.9
1411
0.9
750
10320
2.8
996
1.6
500
DRV063/130
80А4
13500
1.9
1471
1.2
750
13500
1.2
2132
0.8
1200
13500
0.8
2638
0.8
1800
DRV063/150
80А4
18000
0.6
3182
0.8
2400
18000
0,75
7.0
549
1.1
400
DRV040/090
80A2
8180
5.6
642
0.9
500
8180
9.3
446
2.5
300
DRV050/105
80А2
10320
7.0
563
1.8
400
10320
5.6
687
1.5
500
10320
4.7
871
1.3
300
DRV050/105
80 В4
10320
3.5
1126
0.9
400
10320
9.3
446
2.8
300
DRV050/110
80А2
10320
7.0
563
2.1
400
10320
5.6
687
1.6
500
10320
4.7
871
1.5
300
DRV050/110
80 В4
10320
3.5
1126
1.1
400
10320
2.8
1358
1.1
500
DRV063/130
80 В4
13500
2.3
1631
1.0
600
13500
1.9
2005
0.9
750
13500
1.6
2283
0.8
900
13500
2.8
1291
1.8
500
DRV063/150
80 В4
18000
2.3
1529
1.7
600
18000
1.9
1783
1.3
750
18000
1.6
2215
0.9
900
18000
1.2
2680
1.0
1200
18000
1,1
9.3
654
1.7
300
DRV050/105
80B2
10320
7.0
845
1.2
400
10320
5.6
1007
1.0
500
10320
9.3
654
1.9
300
DRV050/110
80B2
10320
7.0
845
1.4
400
10320
5.6
1007
1.1
500
10320
4.7
1312
1.3
300
DRV063/130
90S4
13500
3.5
1671
1.0
400
13500
2.8
1991
0.8
500
13500
9.3
753
3.1
150
DRV063/150
90S4
18000
7.0
966
2.4
200
18000
5.6
1175
1.7
250
18000
4.7
1364
1.7
300
18000
3.5
1619
1.6
400
18000
2.8
1893
1.2
500
18000
2.3
2242
1.2
600
18000
1.9
2616
0.9
750
18000
1,5
9.3
891
1.2
300
DRV050/105
90S2
10320
7.0
1153
0.9
400
10320
5.6
1373
0.7
500
10320
9.3
891
1.4
300
DRV050/110
90S2
10320
7.0
1153
1.0
400
10320
5.6
1373
0.8
500
10320
9.3
915
1.9
300
DRV063/130
90S2
13500
7.0
1166
1.4
400
13500
5.6
1389
1.1
500
13500
4.7
1789
1.0
300
DRV063/130
90L4
13500
3.5
2279
0.7
400
13500
9.3
1026
2.3
150
DRV063/150
90L4
18000
7.0
1317
1.8
200
18000
5.6
1602
1.3
250
18000
4.7
1860
1.3
300
18000
3.5
2208
1.2
400
18000
2.8
2582
0.9
500
18000
2.3
3057
0.9
600
18000

 

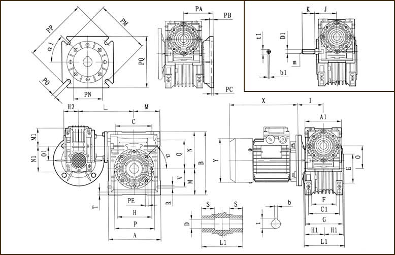
Габаритные и присоединительные размеры.

DRV
A
A1
В
С
C1
D
(H7)
D1
(J6)
E
(h8)
F
G
H
H1
H2
l
J
К
L
L1
M
M1
N
N1
O
O1
P
030/040
100
80
121.5
70
60
18
(19)
9
60
43
71
75
36.5
29
55
51
20
120
78
50
40
71.5
57
40
30
87
030/050
120
80
144
80
70
25
(24)
9
70
49
85
85
43.5
29
55
51
20
130
92
60
40
84
57
50
30
100
030/063
144
80
174
100
85
25
(28)
9
80
67
103
95
53
29
55
51
20
145
112
72
40
102
57
63
30
110
040/075
172
100
205
120
90
28
(35)
11
95
72
112
115
57
36.5
70
60
23
165
120
86
50
119
71.5
75
40
140
040/090
206
100
238
140
100
35
(38)
11
110
74
130
130
67
36.5
70
60
23
182
140
103
50
135
71.5
90
40
160
050/110
252.5
120
295
170
115
42
14
130
-
144
165
74
43.5
80
74
30
225
155
127.5
60
167.5
84
110
50
200
063/130
292.5
144
335
200
120
45
19
180
-
155
215
81
53
95
90
40
245
170
147.5
72
187.5
102
130
63
250
063/150 340 144 400 240 145 50 19 180 - 192 215 81 53 95 90 40 268 200 170 72 230 102 130 63 250

DRV
Q
R
S
T
V
PA
PB
PC
PE
PM
PN
(H8)
PO
PP
PQ
a
a1
b
b1
t
t1
m
kg
030/040
55
6.5
26
6.5
35
67
7
4
M6x8
(n=4)
75
60
9
(n=4)
110
110
45°
45°
6(6)
3
20.8
(21.8)
10.2
-
3.9
030/050
64
8.5
30
7
40
90
9
5
M8x10
(n=4)
85
70
11
(n=4)
125
110
45°
45°
8(8)
3
28.3
(27.3)
10.2
-
5.0
030/063
80
8.5
36
8
50
82
10
6
M8x14
(n=8)
150
115
11
(n=4)
180
142
45°
45°
8(8)
3
28.3
(31.3)
10.2
-
7.8
040/075
93
11
40
10
60
111
13
6
M8x14
(n=8)
165
130
14
(n=4)
200
170
45°
45°
8(10)
4
31.3
(38.3)
12.5
-
12.0
040/090
102
13
45
11
70
111
13
6
M10x18
(n=8)
175
152
14
(n=4)
210
200
45°
45°
10(10)
4
38.3
(41.3)
12.5
-
16.0
050/110
125
14
50
14
85
131
15
6
M10x18
(n=8)
230
170
14
(n=8)
280
260
45°
45°
12
5
45.3
16.0
M6
39.2
063/130
140
16
60
15
100
140
15
6
M12x21
(n=8)
255
180
16
(n=8)
320
290
45°
22.5°
14
6
48.3
21.5
M6
55.0
063/150 180 18 72,5 18 120 155 15 6
M12x21
(n=8)
255 180
16
(n=8)
320 290
45°
22.5°
14 6 53.8 21.5 M6 91

Если Вам нужны низкие обороты и высокий крутящий момент - мотор-редукторы DRV идеальное решение.

 

Приводная техника (мотор-редукторы, преобразователи частоты и устройства плавного пуска) отправляется покупателю транспортной компанией. По всем вопросам обращаться в офис.

 


Мы всегда рады видеть у себя наших старых партнеров и ждем новых.

Доставка во все регионы России!