Главная Каталог продукции Прайс-лист Полезная информация контакты
Редукторы червячные
Мотор-редукторы
Преобразователи частоты
Устройства плавного пуска
Аксессуары для ПЧ
Энкодеры
Карта сайта

 

Приводная техника

 

Вся продукция сертифицирована. Мы будем рады видеть Вас клиентом нашей компании.

 

 

Мотор-редуктор МЧ2-160

Мотор-редуктор МЧ2-160

Мотор-редуктор МЧ2-160

 

НАЗНАЧЕНИЕ:

Мотор-редукторы червячные двухступенчатые МЧ2-160 (далее мотор-редукторы) предназначены для работы в качестве приводов общемашиностроительного применения.

Условия применения:

  • нагрузка постоянная и переменная (в пределах номинального крутящего момента);
  • вращение выходного вала в любую сторону без предпочтительности;
  • климатические исполнения У3 и Т2 по
    ГОСТ 15150-69
    при работе на высоте над уровнем моря до 1000м., допускается работа мотор-редуктора на высоте более 1000 м над уровнем моря при соблюдении требований ГОСТ 183-74;
  • внешняя среда–неагрессивная, невзрывоопасная, с содержанием непроводящей пыли до 10мг/м3;

Мотор-редукторы предназначены для работы от сети переменного тока частотой 50Гц или 60Гц, напряжением 220В или 380В или, по согласованию с потребителем, на другие стандартные напряжения.

 

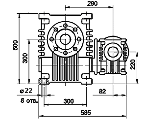
Габаритные и присоединительные размеры Габаритные и присоединительные размеры.

 

РИС.1
Габаритные и присоединительные размеры.

 


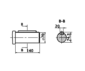
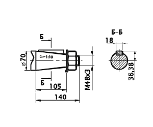
Исполнения выходного вала. Исполнения выходного вала.

 

РИС.2
Исполнения выходного вала.

 


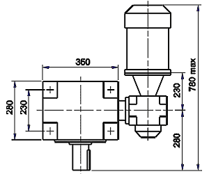
Схемы сборки мотор-редукторов.

 

РИС.3
Схемы сборки мотор-редукторов.

 


Вариант сборки червячных пар.

 

РИС.4
Вариант сборки червячных пар.


 

ТЕХНИЧЕСКИЕ ХАРАКТЕРИСТИКИ:

 

ПАРАМЕТР
ПЕРЕДАТОЧНОЕ ЧИСЛО ОБЩЕЕ
100
125
160
200
250
400
630
1000
1600
2500
4000
Номинальный крутящий момент на выходном валу,
Н.м
при ПВ>63%
1440
1970
1670
1710
1750
1985
2090
2210
2315
2055
1350
при ПВ<63%
1800
2465
2090
2140
2190
2480
2610
2760
2895
2570
1690
при ПВ=40%
1800
2465
2090
2140
2190
2480
2610
2760
2895
2570
1690
при ПВ=25%
2160
2525
2508
2570
2630
2980
3130
3310
3470
3085
2030
при ПВ=16%
2160
2525
3170
3210
3285
3720
3600
3750
4180
3855
2535
КПД, %s
при ПВ>63%
77
74
73
68
65
60
55
50
35
30
22
Термическая мощность, кВт
при ПВ>63%
3,15
3,15
3,15
3,47
2,90
2,90
2,05
1,24
1,09
0,92
0,92
Тип электродвигателя серии АИР
100L4
100L4
100L4
100L4
100S4
90L4
80B4
80A4
80A4
71B4
71A4
Мощность эл./дв, [кВт]
4,0
4,0
4,0
4,0
3,0
2.2
1.5
1,1
1,1
0,75
0,55
Номинальная частота вращения выходного вала, об/мин
14,0
11,2
8,8
7,0
5,6
3,5
2,2
1,4
0,88
0,56
0,35

 

ПРИМЕР УСЛОВНОГО ОБОЗНАЧЕНИЯ В ЗАКАЗЕ:

Мотор-редуктор МЧ2-160-250-6-12-21-Ц-У2, что означает:

  • МЧ2 – мотор-редуктор червячный двухступенчатый;
  • 160 – межосевое расстояние, мм;
  • 250 – номинальное передаточное число;
  • 6 – номинальная частота вращения выходного вала, об/мин;
  • 12 – вариант сборки;
  • Ц – исполнение с цилиндрическим выходным валом;
  • У – климатическое исполнение;
  • 2 – категория размещения.

     

     

Приводная техника (мотор-редукторы, преобразователи частоты и устройства плавного пуска) отправляется покупателю транспортной компанией. По всем вопросам обращаться в офис.


Мы всегда рады видеть у себя наших старых партнеров и ждем новых.

Доставка во все регионы России!