Главная Каталог продукции Прайс-лист Полезная информация контакты
Редукторы червячные
Мотор-редукторы
Преобразователи частоты
Устройства плавного пуска
Аксессуары для ПЧ
Энкодеры
Карта сайта

 

Приводная техника

 

Вся продукция сертифицирована. Мы будем рады видеть Вас клиентом нашей компании.

 

 

Мотор-редукторы цилиндрические двухступенчатые 1МЦ2С63Н, 1МЦ2С80Н, 1МЦ2С100Н

Мотор-редукторы цилиндрические двухступенчатые 1МЦ2С63Н, 1МЦ2С80Н, 1МЦ2С100Н

1МЦ2С63Н, 1МЦ2С80Н, 1МЦ2С100Н

Мотор-редукторы цилиндрические двухступенчатые типоразмера 1МЦ2С-100Н, 1МЦ2С-63Н, 1МЦ2С-80Н предназначены для использования в качестве привода общемашиностроительного применения. Этот тип мотор-редукторов широко применяется в таких областях как текстильная, пищевая, химическая промышленность (Внешняя среда - неагрессивная), автоматические линии, металлургия и т.д.

 

УСЛОВИЯ ПРИМЕНЕНИЯ МОТОР-РЕДУКТОРОВ:

  1. Работа от сети переменного тока частотой 50 или 60 Гц;
  2. Режим работы - продолжительный, с продолжительностью работы 8-24 ч/сут;
  3. Вращения выходного вала в любую сторону;
  4. Климатическое исполнение У, категория размещения 3 (температура окружающего воздуха от -40°С до +40°С, эксплуатация в закрытых помещениях с естественной вентиляцией без искусственно регулируемых климатических условий) или климатическое исполнение Т2 (температура окружающей среды от -10°С до +45°С, эксплуатация под навесом или в помещениях);
  5. Внешняя среда - неагрессивная, невзрывоопасная с содержанием непроводящей пыли 10 мг/м3;
  6. Высота над уровнем моря - до 1000 м; Примечание: Применение мотор-редуктора в грузоподъемных механизмах не допускается.

 

1МЦ2С63Н - 1МЦ2С100Н

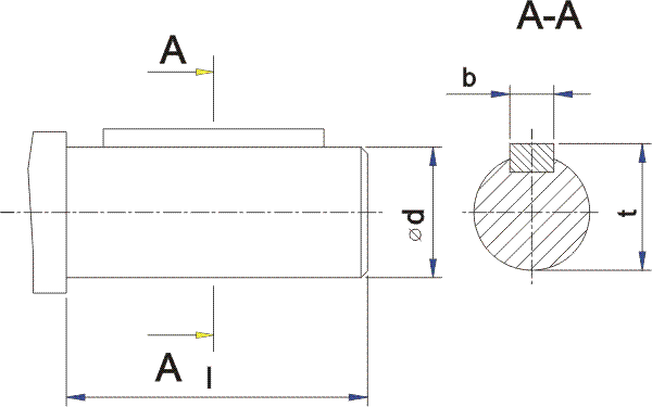
1mr2_output_shaft

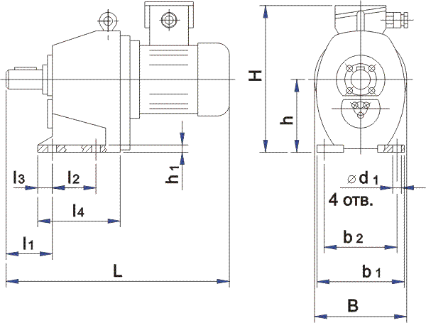
РИС 1.

Габаритные и присоединительные размеры (исполнение на лапах).

 

Монтажное исполнение

РИС 2.

Монтажное исполнение мотор-редукторов 1МЦ2С

 

 

Обозначение
мотор-
редуктора
Частота вращения вых. вала, об/мин
L
B
H
I
I1
I2
I3
I4
b
b1
b2
d
d1
4 отв
h
h1
t
не более
1МЦ2С-63Н
28...71
465
200
265
60
48
110
15
160
8
185
150
28k6
12
140
16
31
90
490
200
265
112...180
515
250
275
1МЦ2С-80Н
28; 35,5; 45; 56
547
200
305
80
75
115
20
175
10
220
180
35k6
15
170
18
38
71...160
601
250
317
1МЦ2С-100Н
28...90
675
260
377
110
102
130
20
195
14
255
210
45к6
15
212
22
48,5

Таблица №1.

Габаритные и присоединительные размеры.

 

 

ТЕХНИЧЕСКИЕ ХАРАКТЕРИСТИКИ.

 

Наименование мотор-редуктора Номинальная частота вращения вых. вала, об/мин Номинальный крутящий момент на выходном валу, Нм Масса, кг h редукторной части Двигатель
Тип Мощность, кВт
1МЦ2С-63Н
28
112
27
62
АИР71А6
0,37
160
66
АИР71В6
0,55
35,5
140
170
29
АИР80А6
0,75
45
106
27
АИР71В4
0,55
140
29
67
АИР80В4
0,75
56
132
27
72
АИР71В4
0,75
170
30
АИР80А4
1,1
71
100
27
АИР71В4
0,75
140
30
АИР80А4
1,1
90
118
150
32
74
АИР80В4
1,5
112
118
170
38
77
АИР90L4
2,2
140
95
32
74
АИР80В4
1,5
140
33
77
АИР90L4
2,2
180
80
32
74
АИР80В4
1,5
112
38
АИР90L4
2,2
1МЦ2С-80Н
28
236
37
67
АИР80А6
0,75
335
41
71
АИР80В6
1,1
35,5
180
37
67
АИР80А6
0,75
265
41
71
АИР80В6
1,1
45
224
300
45
72
АИР90L6
1,5
56
250
41
74
АИР80Â4
1,5
355
46
77
АИР90L4
2,2
71
280
355
51
78
АИР100S4
3,0
90
236
46
77
АИР90L4
2,2
335
51
78
АИР100S4
3,0
112
180
46
77
АИР90L4
2,2
236
51
78
АИР100S4
3,0
315
57
81
АИР100L4
4,0
140
200
51
78
АИР100S4
3,0
265
57
81
АИР100L4
4,0
180
160
51
78
АИР100L4
3,0
212
57
81
АИР100L4
4,0
1МЦ2С-100Н
28
522
70
71
АИР100L8СВ
1,5
35,5
550
77
79
АИР100L6СВ
2,2
45
455
74
79
АИР100L6СВ
2,2
56
514
73
80
АИР100S4СВ
3,0
71
553
80
82
АИР100L4СВ
4,0
90
422
80
82
АИР100L4
4,0

 

ПРИМЕР УСЛОВНОГО ОБОЗНАЧЕНИЯ ПРИ ЗАКАЗЕ.

Мотор-редуктор 1МЦ2С-100Н-45-110УЗ, 380 В, где:

  1. 1МЦ2С - тип мотор-редуктора;
  2. 100 - межосевое расстояние;
  3. Н - с зацеплением Новикова;
  4. 45 - частота вращения выходного вала, 1/мин;
  5. G110 - конструктивное исполнение по способу монтажа;
  6. У3 - климатическое исполнение (У) и категория размещения (3);
  7. 380В - номинальное напряжение сети переменного тока;

 

Приводная техника (мотор-редукторы, преобразователи частоты и устройства плавного пуска) отправляется покупателю транспортной компанией. По всем вопросам обращаться в офис.


Мы всегда рады видеть у себя наших старых партнеров и ждем новых.

Доставка во все регионы России!